
⚠️ 此产品暂不单独出售,仅随Tofu6相机AI模组一同组合出售。
- Tofu6 MIPI 数字视频接口(支持25Hz,50/60Hz)
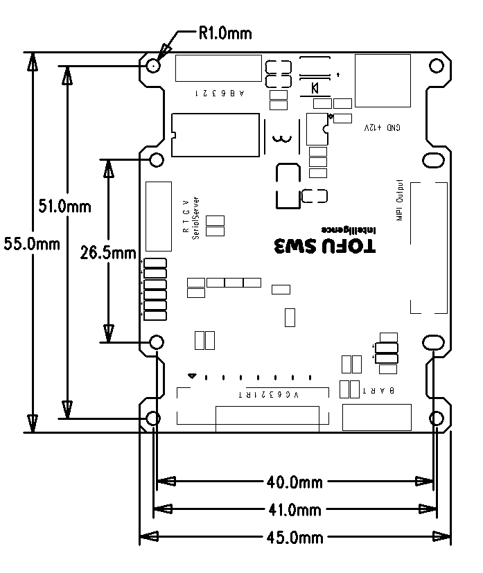
- 4路标配网络端口
- RS485多设备并联端口
- 可选1路串口服务器(选配,默认不带)
- 36P FPC或者XH1.25机芯接口
- 可见光机芯背靠背安装



| 引脚序号 | 针脚名称 | 说明 / Description |
|---|---|---|
| 1 | SYS_RST_N | 系统复位信号 (低有效) ,无连接 |
| 2 | UART2_RXD | 机芯端接收信号 (3.3V),采用 Visca 协议 |
| 3 | UART2_TXD | 机芯端发送信号 (3.3V),采用 Visca 协议 |
| 4 | RS-485 A | RS-485 A 线,采用 Pelco 协议 |
| 5 | RS-485 B | RS-485 B 线,采用 Pelco 协议 |
| 6 | GND | 电源地 |
| 7 | NC | 无连接 |
| 8 | NC | 无连接 |
| 9 | NC | 无连接 |
| 10 | NC | 无连接 |
| 11 | NC | 无连接 |
| 12 | NC | 无连接 |
| 13 | NC | 无连接 |
| 14 | NC | 无连接 |
| 15 | NC | 无连接 |
| 16 | ALM GND | 报警地 |
| 17 | ALM_IN | 报警输入信号,无连接 |
| 18 | ALM_OUT | 报警输出信号,无连接 |
| 19 | ACT# | ACT# 指示信号,无连接 |
| 20 | LINK# | LINK# 指示信号,无连接 |
| 21 | GND | 电源地 |
| 22 | RX- | 自适应网口,物理接收信号 (-差分) |
| 23 | RX+ | 自适应网口,物理接收信号 (+差分) |
| 24 | TX- | 自适应网口,物理发送信号 (-差分) |
| 25 | TX+ | 自适应网口,物理发送信号 (+差分) |
| 26 | 悬空 | 无连接 |
| 27 | LINEIN | 音频输入信号 |
| 28 | GND | 电源地 |
| 29 | LINEOUT | 音频输出信号 |
| 30 | GND | 电源地 |
| 31 | NC | 无连接 |
| 32 | GND | 电源地 |
| 33 | GND | 电源地 |
| 34 | DC 12V | DC12V 输出 |
| 35 | DC 12V | DC12V 输出 |
| 36 | DC 12V | DC12V 输出 |
